



























此文關鍵字:鋼筋套筒連接規范標準
相關資訊
- 固力士參編團體標準、引領行業規范
- 鋼筋套筒連接為什么用正反絲?
- 鋼筋連接套筒為什么受歡迎
- 固力士參編制定《鋼筋套筒灌漿接頭產品》行業標準
- 鋼筋套筒連接規范標準JGT398-2012鋼筋連接用灌漿套筒操作規范標準在線下載
- 鋼筋套筒連接規范標準JGJ355-2015鋼筋套筒灌漿連接應用技術規程 [附條文說明在線下載]
- 鋼筋套筒連接規范標準JG/T163-2013鋼筋機械連接用套筒-圖片版在線下載
- 鋼筋套筒連接規范標準JG/T163-2013鋼筋機械連接用套筒-文字版在線下載
- 鋼筋套筒連接規范標準JGJ355-2015鋼筋套筒灌漿連接應用技術規程 [附條文說明]在線下載
- 鋼筋套筒連接規范標準JGJ107-2016 鋼筋機械連接技術規程 [附條文說明]
固力士最新產品
鋼筋直螺紋套筒

- 直螺紋套筒是傳遞鋼筋軸向拉力或壓力的鋼筋機械接頭用的鋼套管。直螺紋套筒分為直接滾軋直螺紋套筒、剝肋滾軋直螺紋套筒和鐓粗直螺紋套筒。 直螺紋套筒的連接方法就是將待連接鋼筋端部的縱肋和橫肋用滾絲機采用切削的方法剝掉一部分,然后直接滾軋成普通直螺紋,用特制的直螺紋套筒連接起來,形成鋼筋的連接。鋼筋剝肋滾壓直螺紋連接技術屬國內外首創技術發明,達到國際先進水平; 剝肋滾壓直螺紋連接技術高效、便捷、快速的施工方法和節能降耗、提高效益、連接質量穩定可靠等優點得到了廣大施工單位和業主的青睞。是直螺紋連接技術的一種新型產品。
鋼筋鐓粗套筒

- 鐓粗直螺紋套筒連接是利用鐓粗機先將鋼筋端部鐓粗,然后再利用專用機床對鐓粗段進行套絲,通過鋼筋端頭特制的直螺紋和直螺紋套筒咬合形成整體的一種連接方式。
2、特點:1、鐓粗段鋼筋切削螺紋后所得截面積大于鋼筋原截面積,即螺紋不削弱截面,從而確保接頭強度大于鋼筋母材強度。
2、施工連接時不用電、不用氣、無明火作業,無漏洞、空氣染污,現場施工時,雨、雪、低溫狀態等均可施工,并適用于水下、易燃、超高等特殊施工環境。
異徑型直螺紋鋼筋套筒

- 1、采用45號優質碳素結構鋼材的鋼筋套筒,設計合理,工藝先進,尺寸精度高,連接質量可靠。 2、各規格鋼筋套筒的基本參數,全部按照HRB400級鋼筋的強度要求進行結構設計,對HRB335、HRB400級鋼盤均可適用。 3、性能指標經“國家建筑工程質量監督檢驗中心”檢測,均達JG/T 163-2013中“I”級接頭的要求。
正反絲型直螺紋鋼筋套筒

- 直螺紋套筒是傳遞鋼筋軸向拉力或壓力的鋼筋機械接頭用的鋼套管。直螺紋套筒分為直接滾軋直螺紋套筒、剝肋滾軋直螺紋套筒和鐓粗直螺紋套筒。 直螺紋套筒的連接方法就是將待連接鋼筋端部的縱肋和橫肋用滾絲機采用切削的方法剝掉一部分,然后直接滾軋成普通直螺紋,用特制的直螺紋套筒連接起來,形成鋼筋的連接。鋼筋剝肋滾壓直螺紋連接技術屬國內外首創技術發明,達到國際先進水平; 剝肋滾壓直螺紋連接技術高效、便捷、快速的施工方法和節能降耗、提高效益、連接質量穩定可靠等優點得到了廣大施工單位和業主的青睞。是直螺紋連接技術的一種新型產品。
HRB500直螺紋套筒

- HRB500直螺紋套筒工作原理采用牌號為 45 號的圓鋼或無縫鋼管制造,其機械性能、化學成分應符合GB/T 699、GB/T 8162 的規定。力學性能應符合相應國家或行業標準的規定,并經過型式檢驗確認。
大型全自動直螺紋滾絲機
全灌漿套筒

- 灌漿套筒是鋼筋套筒中的新興品種。傳統的灌漿套筒生產成本居高不下,生產效率低,制約了住宅產業化的進程,固力士生產的全灌漿套筒,采用特殊定制材料,為全灌漿連接。生產工藝先進,采用固力士自主研發的專利設備,加工速度快,精度高,可大批量生產。100%保證產品質量,生產過程和工序的檢測嚴格按照標準執行,同時對原材料和產成品按組批規則分批次抽樣檢驗,其加工精度已高于國家規定的標準值。
半灌漿套筒
同類文章排行
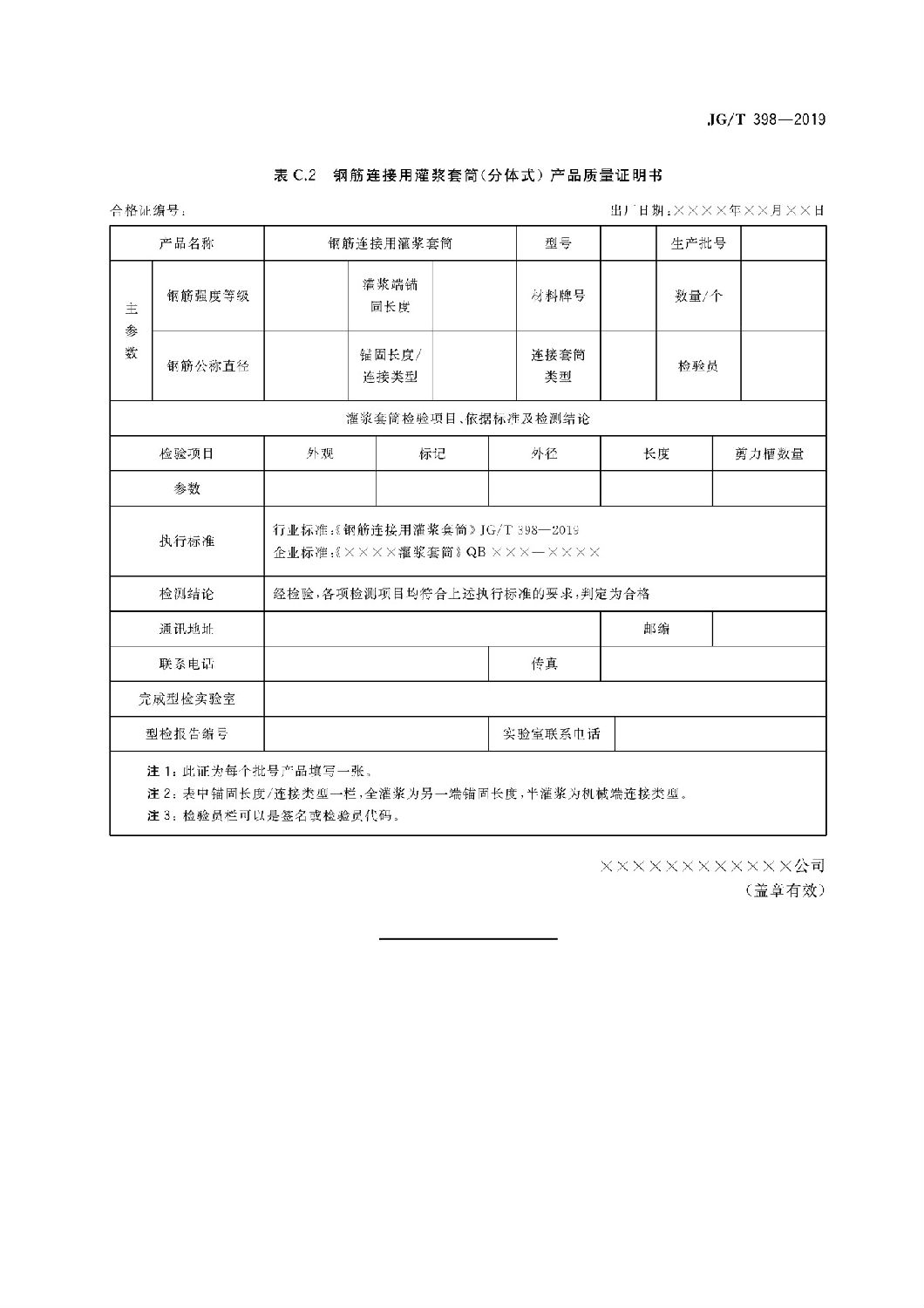
- 鋼筋連接用灌漿套筒JG/T 398-2019
- 鋼筋套筒連接規范標準JGT398-2012鋼筋連接用灌漿套筒操作規范標準在線下載
- 鋼筋套筒連接規范標準JGJ355-2015鋼筋套筒灌漿連接應用技術規程 [附條文說明在線下載]
- 鋼筋套筒連接規范標準JG/T163-2013鋼筋機械連接用套筒-圖片版在線下載
- 鋼筋套筒連接規范標準JG/T163-2013鋼筋機械連接用套筒-文字版在線下載
- 鋼筋套筒連接規范標準JGJ355-2015鋼筋套筒灌漿連接應用技術規程 [附條文說明]在線下載
- 鋼筋套筒連接規范標準JGJ107-2016 鋼筋機械連接技術規程 [附條文說明]
- 鋼筋套筒連接規范標準JGJ107-2016鋼筋機械連接技術規程(二)
- 鋼筋套筒連接規范標準JGJ107-2016鋼筋機械連接技術規程(一)
- JGJ10896帶肋鋼筋套筒擠壓連接技術規程-鋼筋套筒連接規范標準
最新資訊文章
您的瀏覽歷史







